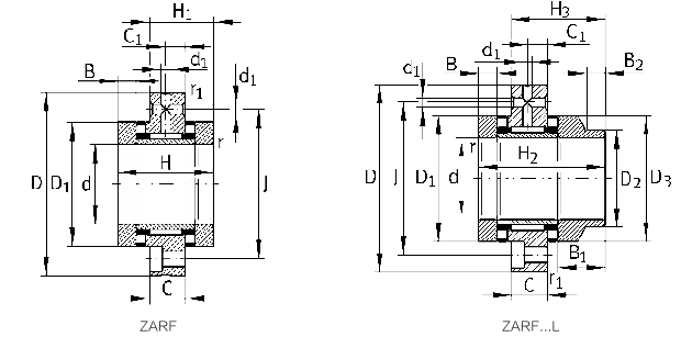
滾針/推力滾子軸承-ZARF(N)系列
- 滾針/推力圓柱滾子軸承包括一個加厚的外圈、滾針保持器組件、滾針內圈、兩個推力圓柱滾子保持器組件和兩個推理軸圈,相當于一套滾針軸承和兩套推力圓柱滾子軸承的組合軸承,兩個推力圓柱滾子軸承中心和滾針軸承中心重合。
bearing@hyzcgroup.com
18837917076
- 產品詳情
隨著機床裝備技術的發展,高精度、高效率成為當前機械行業的重要技術特點,機床滾珠絲杠支承軸承逐漸放棄傳統的配對角接觸球的結構模式,轉而采用滾針/推力圓柱滾子軸承的結構形式。
滾針/推力圓柱滾子軸承采用外圈加厚的滾針軸承和兩列推力圓柱滾子軸承的組合結構,可以承受更大的徑向/軸向載荷,具備更高的徑向/軸向剛性,同時該系列軸承軸向跳動精度可達1μm,特別符合當前機械加工行業所要求的高精度,高承載,高效率的特點。
產品特性
滾針/推力圓柱滾子軸承包括一個加厚的外圈、滾針保持器組件、滾針內圈、兩個推力圓柱滾子保持器組件和兩個推理軸圈,相當于一套滾針軸承和兩套推力圓柱滾子軸承的組合軸承,兩個推力圓柱滾子軸承中心和滾針軸承中心重合。
滾針/推力圓柱滾子軸承可以承受兩個方向的軸向力、徑向力和傾覆力矩。
滾針/推力圓柱滾子軸承按照外圈安裝方式的差異可以分為螺栓安裝和非螺栓安裝兩個類型系列。

| 軸徑 mm | 公稱型號 | 重量g | 尺寸 | 基本額定載荷 | 極限轉速 | 擰緊 力矩 Nm | 摩擦 力矩 Nm | |||||||||||||||||||||
| d | D | H | H1 | H2 | H3 | C | C1 | D1 | D2 | D3 | B | B1 | B2 | r | r1 | d1 | J | 徑向 | 軸向 | 油rpm | 脂rpm | |||||||
| 動Cr KN | 靜Cor KN | 動Cr KN | 靜Cor KN | |||||||||||||||||||||||||
| 15 | ZARF 1560(L)TN | (450)420 | 15 | 60 | 40 | 26.0 | 53 | 39.0 | 14.0 | 8 | 35 | 24 | 34 | 8.0 | 21.0 | 11 | 0.3 | 0.6 | 3.2 | 46.0 | 13.0 | 17.5 | 24.9 | 53.0 | 8500 | 2200 | 10 | 0.35 |
| 17 | ZARF 1762(L)TN | (520)490 | 17 | 62 | 43 | 27.5 | 57 | 41.5 | 14.0 | 8 | 38 | 28 | 38 | 9.5 | 23.5 | 11 | 0.3 | 0.6 | 3.2 | 48.0 | 14.0 | 19.9 | 26.0 | 57.0 | 7800 | 2100 | 12 | 0.4 |
| 20 | ZARF 2068(L)TN | (610)560 | 20 | 68 | 46 | 29.0 | 60 | 43.0 | 14.0 | 8 | 42 | 30 | 40 | 10.0 | 24.0 | 11 | 0.3 | 0.6 | 3.2 | 53.0 | 14.1 | 20.6 | 27.4 | 77.0 | 7000 | 2000 | 18 | 0.5 |
| ZARF 2080(L)TN | (1220)1100 | 20 | 80 | 60 | 38.0 | 75 | 53.0 | 18.0 | 10 | 52 | 40 | 50 | 13.0 | 28.0 | 11 | 0.3 | 0.6 | 3.2 | 63.0 | 22.6 | 36.0 | 64.0 | 88.0 | 6000 | 1500 | 38 | 1.3 | |
| 25 | ZARF 2575(L)TN | (840)780 | 25 | 75 | 50 | 33.0 | 65 | 48.0 | 18.0 | 10 | 47 | 36 | 45 | 10.0 | 25.0 | 11 | 0.3 | 0.6 | 3.2 | 58.0 | 24.8 | 39.8 | 30.5 | 93.5 | 6000 | 1900 | 25 | 0.55 |
| ZARF 2590(L)TN | (1750)1600 | 25 | 90 | 60 | 38.0 | 75 | 53.0 | 18.0 | 10 | 62 | 48 | 60 | 12.0 | 27.0 | 11 | 0.3 | 0.6 | 3.2 | 73.0 | 24.8 | 41.4 | 80.0 | 199.0 | 4900 | 1400 | 55 | 1.6 | |
| 30 | ZARF 3080(L)TN | (900)850 | 30 | 80 | 50 | 33.0 | 65 | 48.0 | 18.0 | 10 | 52 | 40 | 50 | 10.0 | 25.0 | 11 | 0.3 | 0.6 | 3.2 | 63.0 | 24.3 | 41.0 | 33.9 | 110.0 | 5500 | 1800 | 32 | 0.65 |
| ZARF 30105(L)TN | (2150)1950 | 30 | 105 | 66 | 41.0 | 82 | 57.0 | 18.0 | 10 | 68 | 52 | 66 | 15.0 | 31.0 | 12 | 0.3 | 0.6 | 3.2 | 85.0 | 25.9 | 45.8 | 75.7 | 221.0 | 4400 | 1300 | 75 | 2.1 | |
| 35 | ZARF 3590(L)TN | (1250)1120 | 35 | 90 | 54 | 35.0 | 70 | 51.0 | 18.0 | 10 | 60 | 45 | 58 | 11.0 | 27.0 | 12 | 0.3 | 0.6 | 3.2 | 73.0 | 26.0 | 47.0 | 45.9 | 105.4 | 4800 | 1700 | 42 | 0.9 |
| ZARF 35110(L)TN | (1850)1600 | 35 | 110 | 66 | 41.0 | 82 | 57.0 | 18.0 | 10 | 73 | 60 | 73 | 14.0 | 30.0 | 12 | 0.3 | 0.6 | 3.2 | 88.0 | 28.0 | 52.7 | 78.2 | 237.6 | 4000 | 1250 | 100 | 2.3 | |
| 40 | ZARF 40100(L)TN | (1450)1350 | 40 | 100 | 54 | 34.0 | 70 | 51.0 | 18.0 | 10 | 65 | 50 | 63 | 11.0 | 27.0 | 12 | 0.3 | 0.6 | 3.2 | 80.0 | 30.4 | 58.6 | 51.7 | 180.1 | 4400 | 1600 | 55 | 1 |
| ZARF 40115(L)TN | (3000)2700 | 40 | 115 | 75 | 47.5 | 93 | 65.5 | 22.5 | 12.5 | 78 | 60 | 78 | 16.0 | 34.0 | 12 | 0.3 | 0.6 | 6.0 | 94.0 | 40.9 | 72.5 | 84.2 | 269.2 | 3700 | 1200 | 120 | 2.5 | |
| 45 | ZARF 45105(L)TN | (1850)1700 | 45 | 105 | 60 | 40.0 | 75 | 55.0 | 22.5 | 12.5 | 70 | 56 | 68 | 11.5 | 26.5 | 12 | 0.3 | 0.6 | 6.0 | 85.0 | 38.0 | 74.0 | 81.0 | 177.0 | 4000 | 1500 | 65 | 1.2 |
| ZARF 45130(L)TN | (4300)3900 | 45 | 130 | 82 | 51.0 | 103 | 42.0 | 22.5 | 12.5 | 90 | 70 | 88 | 17.5 | 38.5 | 14 | 0.3 | 0.6 | 6.0 | 105.0 | 42.5 | 78.8 | 115.9 | 363.0 | 3300 | 1150 | 150 | 3.5 | |
| 50 | ZARF 50115(L)TN | (2450)2100 | 50 | 115 | 60 | 40.0 | 78 | 58.0 | 22.5 | 12.5 | 78 | 60 | 78 | 11.5 | 29.5 | 12 | 0.3 | 0.6 | 6.0 | 94.0 | 42.6 | 78.8 | 44.2 | 158.4 | 3600 | 1200 | 85 | 2.2 |
| ZARF 50140(L)TN | (4650)4200 | 50 | 140 | 82 | 51.0 | 103 | 72.0 | 22.5 | 12.5 | 95 | 75 | 93 | 17.5 | 38.5 | 14 | 0.3 | 0.6 | 6.0 | 113.0 | 45.5 | 88.1 | 119.3 | 387.2 | 3100 | 1100 | 180 | 3.8 | |
| 55 | ZARF 55145(L)TN | (5000)4500 | 55 | 145 | 82 | 51.0 | 103 | 72.0 | 22.5 | 12.5 | 100 | 80 | 98 | 17.5 | 38.5 | 14 | 0.3 | 0.6 | 6.0 | 118.0 | 49.0 | 109.9 | 126.0 | 369.0 | 2900 | 1000 | 220 | 4 |
| 60 | ZARF 60150(L)TN | (5350)4700 | 60 | 150 | 82 | 51.0 | 103 | 72.0 | 22.5 | 12.5 | 105 | 90 | 105 | 17.5 | 38.5 | 16 | 0.3 | 0.6 | 6.0 | 123.0 | 54.9 | 118.6 | 141.0 | 505.0 | 2700 | 950 | 250 | 4.2 |
| 65 | ZARF 65155(L)TN | (5720)5120 | 65 | 155 | 82 | 51.0 | 103 | 72.0 | 22.5 | 12.5 | 110 | 90 | 108 | 17.5 | 38.5 | 16 | 0.3 | 0.6 | 6.0 | 128.0 | 54.2 | 100.8 | 126.2 | 441.4 | 2600 | 900 | 270 | 4 |
| 70 | ZARF 70160(L)TN | (6000)5200 | 70 | 160 | 82 | 51.0 | 103 | 72.0 | 22.5 | 12.5 | 115 | 100 | 115 | 17.5 | 38.5 | 16 | 0.3 | 0.6 | 6.0 | 133.0 | 69.6 | 143.5 | 143.0 | 532.0 | 2400 | 800 | 330 | 4.8 |
| 75 | ZARF 75185(L)TN | (10610)9400 | 75 | 185 | 100 | 62.0 | 125 | 87.0 | 27.0 | 15.0 | 135 | 115 | 135 | 21.0 | 46.0 | 16 | 0.3 | 1.0 | 6.0 | 155.0 | 95.0 | 193.0 | 233.0 | 769.0 | 2100 | 700 | 580 | 8 |
| 90 | ZARF 90210(L)TN | (15100)13700 | 90 | 210 | 110 | 69.5 | 135 | 94.5 | 32.0 | 17.5 | 160 | 130 | 158 | 22.5 | 47.5 | 16 | 0.3 | 1.0 | 8.0 | 180.0 | 101.0 | 225.6 | 320.0 | 1172.0 | 1800 | 700 | 960 | 10.5 |

| 軸徑 mm | 公稱型號 | 重量g | 尺寸 | 基本額定載荷 | 極限轉速 | 擰緊 力矩 Nm | 摩擦
力矩 Nm | ||||||||||||||||||
| d | D | H | H1 | H2 | H3 | C | D1 | D2 | D3 | B | B1 | B2 | r | r1 | 徑向 | 軸承 | 油rpm | 脂rpm | |||||||
| 動Cr KN | 靜Cor KN | 動Cr KN | 靜Cor KN | ||||||||||||||||||||||
| 15 | ZARN 1545(L)TN | (370)340 | 15 | 45 | 40 | 28.0 | 53 | 41.0 | 16 | 35 | 24 | 34 | 8.0 | 21.0 | 11 | 0.3 | 0.6 | 14.3 | 19.6 | 23.5 | 64.3 | 8500 | 2200 | 10 | 0.35 |
| 17 | ZARN 1747(L)TN | (410)370 | 17 | 47 | 43 | 29.5 | 57 | 43.5 | 16 | 38 | 28 | 38 | 9.5 | 23.5 | 11 | 0.3 | 0.6 | 15.4 | 22.1 | 24.3 | 69.3 | 7800 | 2100 | 12 | 0.4 |
| 20 | ZARN 2052(L)TN | (460)410 | 20 | 52 | 46 | 31.0 | 60 | 45.0 | 16 | 42 | 30 | 40 | 10.0 | 24.0 | 11 | 0.3 | 0.6 | 14.1 | 20.6 | 27.4 | 77.0 | 7000 | 2000 | 18 | 0.5 |
| ZARN 2062(L)TN | (990)870 | 20 | 62 | 60 | 40.0 | 75 | 55.0 | 20 | 52 | 40 | 50 | 13.0 | 28.0 | 11 | 0.3 | 0.6 | 22.6 | 38.0 | 64.0 | 141.0 | 6000 | 1500 | 38 | 1.3 | |
| 25 | ZARN 2557(L)TN | (590)530 | 25 | 57 | 50 | 35.0 | 65 | 50.0 | 20 | 47 | 36 | 45 | 10.0 | 25.0 | 11 | 0.3 | 0.6 | 24.8 | 39.8 | 30.5 | 93.5 | 6000 | 1900 | 25 | 0.55 |
| ZARN 2572(L)TN | (1320)1170 | 25 | 72 | 60 | 40.0 | 75 | 55.0 | 20 | 62 | 48 | 60 | 12.0 | 27.0 | 11 | 0.3 | 0.6 | 24.8 | 41.4 | 80.0 | 199.0 | 4900 | 1400 | 55 | 1.6 | |
| 30 | ZARN 3062(L)TN | (750)600 | 30 | 62 | 50 | 35.0 | 65 | 50.0 | 20 | 52 | 40 | 50 | 10.0 | 25.0 | 11 | 0.3 | 0.6 | 24.3 | 41.5 | 39.0 | 101.0 | 5500 | 1800 | 32 | 0.65 |
| ZARN 3080(L)TN | (1700)1500 | 30 | 80 | 66 | 43.0 | 82 | 59.0 | 20 | 68 | 52 | 66 | 15.0 | 31.0 | 12 | 0.3 | 0.6 | 25.9 | 45.8 | 75.7 | 221.0 | 4400 | 1300 | 75 | 2.1 | |
| 35 | ZARN 3570(L)TN | (930)800 | 35 | 70 | 54 | 37.0 | 70 | 53.0 | 20 | 60 | 45 | 58 | 11.0 | 27.0 | 12 | 0.3 | 0.6 | 26.0 | 47.0 | 45.9 | 105.4 | 4800 | 1700 | 42 | 0.9 |
| ZARN 3585(L)TN | (1800)1600 | 35 | 85 | 66 | 43.0 | 82 | 59.0 | 20 | 73 | 60 | 73 | 14.0 | 30.0 | 12 | 0.3 | 0.6 | 28.0 | 52.7 | 78.2 | 237.6 | 4000 | 1250 | 100 | 2.3 | |
| 40 | ZARN 4075(L)TN | (1000)900 | 40 | 75 | 54 | 37.0 | 70 | 53.0 | 20 | 65 | 50 | 63 | 11.0 | 27.0 | 12 | 0.3 | 0.6 | 27.5 | 53.0 | 59.0 | 163.0 | 4000 | 1600 | 500 | 1 |
| ZARN 4090(L)TN | (2390)2090 | 40 | 90 | 75 | 50.0 | 93 | 68.0 | 25 | 78 | 60 | 78 | 16.0 | 34.0 | 12 | 0.3 | 0.6 | 40.9 | 72.5 | 84.2 | 269.0 | 3700 | 1200 | 120 | 2.5 | |
| 45 | ZARN 4580(L)TN | (1270)1120 | 45 | 80 | 60 | 42.5 | 75 | 57.5 | 25 | 70 | 50 | 68 | 11.5 | 26.5 | 12 | 0.3 | 0.6 | 38.0 | 74.0 | 61.0 | 177.0 | 4000 | 1500 | 65 | 1.2 |
| ZARN 45105(L)TN | (3420)3020 | 45 | 105 | 82 | 53.5 | 103 | 74.5 | 25 | 90 | 56 | 88 | 17.5 | 38.5 | 14 | 0.3 | 0.6 | 40.0 | 82.0 | 154.0 | 405.0 | 3300 | 1150 | 150 | 3.5 | |
| 50 | ZARN 5090(L)TN | (1780)1430 | 50 | 90 | 60 | 53.5 | 78 | 60.5 | 25 | 78 | 70 | 78 | 11.5 | 29.5 | 12 | 0.3 | 0.6 | 40.0 | 82.0 | 90.0 | 300.0 | 3600 | 1200 | 85 | 2.2 |
| ZARN 50110(L)TN | (3750)3300 | 50 | 110 | 82 | 53.5 | 103 | 74.5 | 25 | 95 | 60 | 93 | 17.5 | 38.5 | 14 | 0.3 | 0.6 | 45.4 | 88.1 | 119.3 | 387.0 | 3100 | 1100 | 180 | 3.8 | |
| 55 | ZARN 55115(L)TN | (4000)3500 | 55 | 115 | 82 | 53.5 | 103 | 74.5 | 25 | 100 | 75 | 98 | 17.5 | 38.5 | 14 | 0.3 | 0.6 | 49.0 | 109.1 | 126.0 | 369.0 | 2900 | 1000 | 220 | 4 |
| 60 | ZARN 60120(L)TN | (4850)3700 | 60 | 120 | 82 | 53.5 | 103 | 74.5 | 25 | 105 | 80 | 105 | 17.5 | 38.5 | 16 | 0.3 | 0.6 | 54.9 | 118.6 | 141.0 | 505.0 | 2700 | 950 | 250 | 4.2 |
| 65 | ZARN 65125(L)TN | (4600)4000 | 65 | 125 | 82 | 53.5 | 103 | 74.5 | 25 | 110 | 90 | 108 | 17.5 | 38.5 | 16 | 0.3 | 0.6 | 54.2 | 100.8 | 126.2 | 441.4 | 2600 | 900 | 270 | 4 |
| 70 | ZARN 70130(L)TN | (4650)4100 | 70 | 130 | 82 | 53.5 | 103 | 74.5 | 25 | 115 | 100 | 115 | 17.5 | 38.5 | 16 | 0.3 | 0.6 | 69.6 | 143.5 | 143.0 | 532.0 | 2400 | 800 | 330 | 4.8 |
| 75 | ZARN 75155(L)TN | (9100)7900 | 75 | 155 | 100 | 65.0 | 125 | 90.0 | 30 | 135 | 115 | 135 | 21.0 | 46.0 | 16 | 0.3 | 1.0 | 95.0 | 193.0 | 290.0 | 890.0 | 2100 | 700 | 580 | 8 |
| 90 | ZARN 90180(L)TN | (13200)11800 | 90 | 180 | 110 | 72.5 | 135 | 94.5 | 35 | 160 | 130 | 158 | 22.5 | 47.5 | 16 | 0.3 | 1.0 | 101.0 | 256.0 | 320.0 | 1172.0 | 1800 | 700 | 980 | 10.5 |
1、表中所列基本額定載荷、極限轉速和重量,僅供選擇參考用
2、軸承的保持架如有塑料制成,在型號后加TN,允許工作溫度:120℃連續,180℃短期。
- 在線詢價





