


CSD型諧波減速器軸承
- 外圈和內圈均為整體結構,外徑尺寸和CSG型相同,比CSG型軸承具有更高的剛性,主要應用在CSD系列減速器輸出部位。
bearing@hyzcgroup.com
18837917076
- 產品詳情
諧波減速器軸承包括剛性軸承和柔性軸承兩大類型,剛性軸承包含四種系列,CSG(CSF)系列、CSD系列、SHG(SHF)系列、SHD系列,其命名方式采用減速器的命名;柔性軸承的命名為HYR。
諧波減速器用剛性軸承為交叉圓柱滾子結構,根據其使用場合分為外圈分體、內圈整體,外圈、內圈都是整體兩大類;滾動體為圓柱滾子,互成90°垂直排列在V型滾道中,這種結構的軸承可同時承受軸向載荷、徑向載荷和傾覆力矩等各個方向的載荷,軸承具有高精度、高剛性以及復合承載能力。
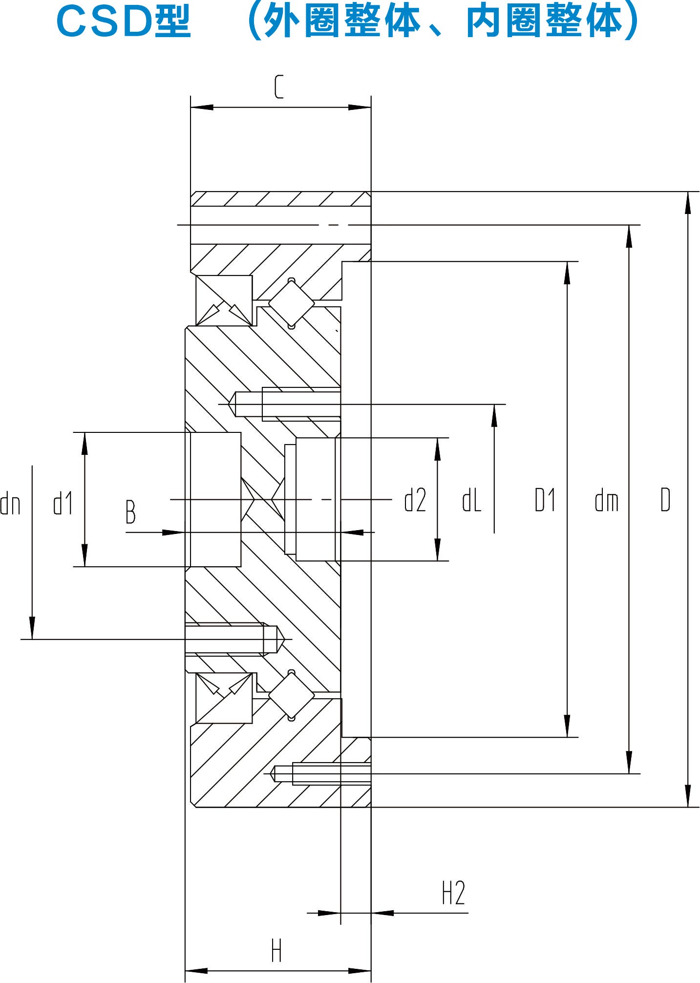
CSD型(外圈整體、內圈整體)
外圈和內圈均為整體結構,外徑尺寸和CSG型相同,比CSG型軸承具有更高的剛性,主要應用在CSD系列減速器輸出部位。
軸承型號 | 外形尺寸 | 外圈安裝孔 | 內圈安裝孔 | 基本額定載荷 | 重量 | |||||||||||||
d1 | d2 | D | H | C | B | H2 | D1 | 中心徑dm | 安裝孔尺寸1 | 安裝孔尺寸2 (密封反面) | 中心徑dn | 安裝孔尺寸1 (密封正面) | 中心徑dl | 安裝孔尺寸2(密封反面) | Cr | Cor | KG | |
單位:mm | KN | KN | ||||||||||||||||
CSD-14 | 12 | 11 | 55 | 16.6 | 16.1 | 13.9 | 2.7 | 42.5 | 49 | 6-φ3.5 | 3-M2(絲深5) | 25 | 10-M3(絲深7) | 17 | 6-M3(絲深7) | 4.7 | 6.7 | 0.24 |
CSD-17 | 14 | 11 | 62 | 16.6 | 16.1 | 13.9 | 2.7 | 49.7 | 56 | 10-φ3.5 | 5-M2(絲深5) | 27 | 8-M5(絲深8) | 19.5 | 8-M4(絲深8) | 5.3 | 7.5 | 0.3 |
CSD-20 | 18 | 16 | 70 | 18.3 | 17.8 | 15.6 | 2.7 | 57 | 64 | 12-φ3.5 | 4-M2(絲深5) | 34 | 8-M6(絲深9) | 24 | 8-M4(絲深8) | 5.8 | 9 | 0.42 |
CSD-25 | 24 | 20 | 85 | 23.4 | 22.9 | 20 | 3.4 | 73 | 79 | 18-φ3.5 | 6-M2(絲深5) | 42 | 8-M8(絲深12) | 30 | 8-M5(絲深9) | 9.6 | 15.1 | 0.8 |
CSD-32 | 32 | 30 | 112 | 24.5 | 23.5 | 20.9 | 3.6 | 95.3 | 104 | 18-φ4.5 | 6-M3(絲深7) | 57 | 10-M8(絲深12) | 41 | 6-M6(絲深11) | 15 | 25 | 1.4 |
CSD-40 | 36 | 32 | 126 | 29.1 | 28.1 | 24.6 | 4.5 | 109.6 | 117.5 | 18-φ5.5 | 6-M3(絲深8) | 72 | 10-M10(絲深15) | 48 | 6-M8(絲深11) | 21.3 | 36.5 | 2.1 |
CSD-50 | 48 | 44 | 157 | 34 | 33 | 29.4 | 4.6 | 138 | 147 | 22-φ6.6 | 4-M3(絲深8) | 88 | 10-M12(絲深18) | 62 | 6-M10(絲深18) | 34.8 | 60.2 | 3.8 |
- 在線詢價