
外齒型交叉滾子轉盤軸承(HXSA14系列)
- 精密轉盤軸承依照滾動體結構,分為交叉滾子轉盤軸承與四點接觸球轉盤軸承兩個系列,依照齒輪形式,可分為不帶齒圈、帶內齒、帶外齒三個類型,可以安裝密封、配注油油杯、小范圍調整游隙力矩大小、精度能達到P5/P4/P2等級,以適應各種類型的工況需求。我司支持外徑20mm到外…
bearing@hyzcgroup.com
18837917076
- 產品詳情
精密轉盤軸承依照滾動體結構,分為交叉滾子轉盤軸承與四點接觸球轉盤軸承兩個系列,依照齒輪形式,可分為不帶齒圈、帶內齒、帶外齒三個類型,可以安裝密封、配注油油杯、小范圍調整游隙力矩大小、精度能達到P5/P4/P2等級,以適應各種類型的工況需求。
我司支持外徑20mm到外徑2000mm范圍內,各種類型高精度軸承非標定制化設計加工,常年與多家高等院校、機械機床公司、機械研究所、科研機構合作,進行重大設備的聯合開發,協助客戶試樣與批量生產。
轉盤軸承可以同時承受較大徑向負荷、軸向負荷和傾覆力矩等綜合載荷,集支承、旋轉、傳動、固定等多種功能與一體,且結構緊湊、安裝簡便、維護方便,通常用于重載低速的場合,例如起重機械、挖掘機、回轉臺、風力發電機、天文望遠鏡和坦克炮塔等裝置,應用十分廣泛。
外齒型交叉滾子轉盤軸承(HXSA14系列)
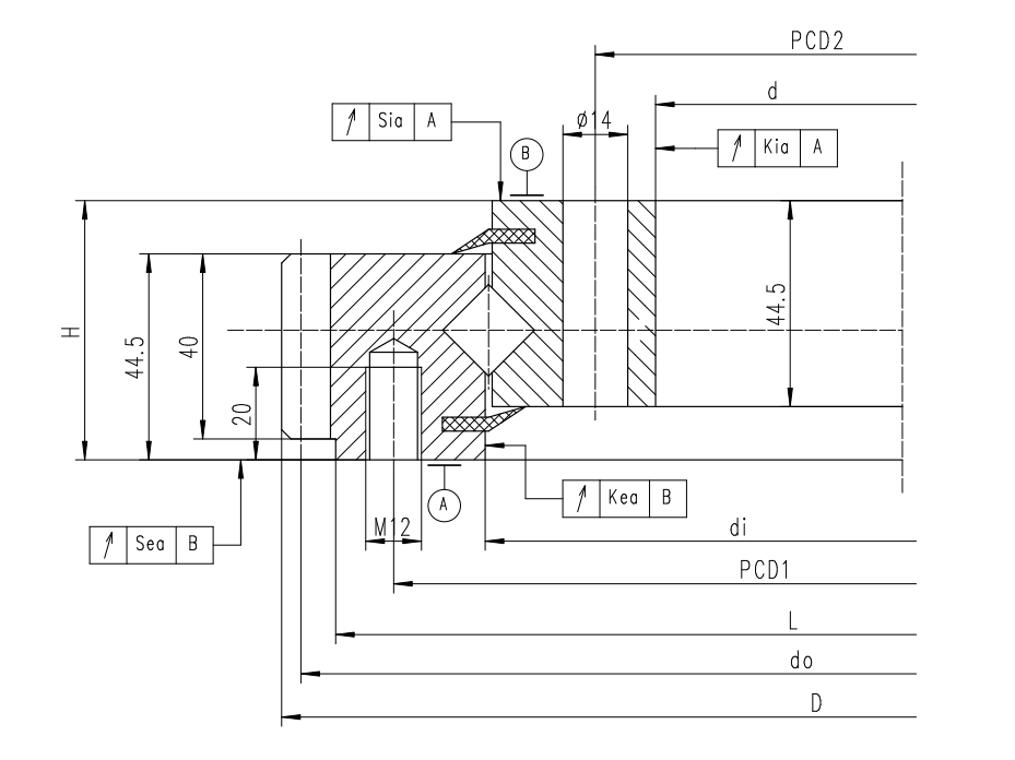
型號 | 基本尺寸 | 旋轉精度 | 安裝尺寸 | 基本額定負荷 | 游隙 (預載) | ||||||||||||||
P5 | 外圈 | 內圈 | 軸向 | 徑向 | |||||||||||||||
外徑D | 內徑d | 裝配高H | 分度圓do | 模數M | 齒數Z | Kea | Kia | Sea | Sia | 孔中心距PCD1 | 安裝孔 | 孔中心距PCD2 | 安裝孔 | 動態Ca/KN | 靜態Coa/KN | 動態Cr/KN | 靜態Cor/KN | ||
HXSA140414 | 503.3 | 344 | 56 | 495 | 5 | 99 | 0.06 | 0.06 | 0.04 | 0.04 | 455 | 20-M12深20 | 368 | 24-φ14 | 229 | 520 | 146 | 250 | 0.01~0.03 |
HXSA140544 | 640.3 | 474 | 56 | 630 | 6 | 105 | 0.07 | 0.06 | 0.04 | 0.04 | 585 | 28-M12深20 | 498 | 32-φ14 | 270 | 680 | 170 | 330 | 0.01~0.03 |
HXSA140644 | 742.3 | 574 | 56 | 732 | 6 | 122 | 0.08 | 0.07 | 0.05 | 0.05 | 685 | 32-M12深20 | 598 | 36-φ14 | 290 | 800 | 185 | 395 | 0.01~0.04 |
HXSA140744 | 838.1 | 674 | 56 | 826 | 6 | 138 | 0.08 | 0.08 | 0.05 | 0.05 | 785 | 36-M12深20 | 698 | 40-φ14 | 315 | 930 | 200 | 445 | 0.01~0.04 |
HXSA140844 | 950.1 | 774 | 56 | 936 | 8 | 117 | 0.09 | 0.08 | 0.05 | 0.05 | 885 | 36-M12深20 | 798 | 40-φ14 | 340 | 1050 | 215 | 510 | 0.01~0.04 |
HXSA140944 | 1046.1 | 874 | 56 | 1032 | 8 | 129 | 0.09 | 0.09 | 0.06 | 0.06 | 985 | 40-M12深20 | 898 | 44-φ14 | 360 | 1170 | 227 | 580 | 0.01~0.05 |
HXSA141094 | 1198.1 | 1024 | 56 | 1184 | 8 | 148 | 0.11 | 0.11 | 0.07 | 0.07 | 1135 | 44-M12深20 | 1048 | 48-φ14 | 390 | 1360 | 246 | 670 | 0.01~0.05 |
- 在線詢價