
內齒型四點接觸球轉盤軸承(HVSI20系列)
- 精密轉盤軸承依照滾動體結構,分為交叉滾子轉盤軸承與四點接觸球轉盤軸承兩個系列,依照齒輪形式,可分為不帶齒圈、帶內齒、帶外齒三個類型,可以安裝密封、配注油油杯、小范圍調整游隙力矩大小、精度能達到P5/P4/P2等級,以適應各種類型的工況需求。我司支持外徑20mm到外…
bearing@hyzcgroup.com
18837917076
- 產品詳情
精密轉盤軸承依照滾動體結構,分為交叉滾子轉盤軸承與四點接觸球轉盤軸承兩個系列,依照齒輪形式,可分為不帶齒圈、帶內齒、帶外齒三個類型,可以安裝密封、配注油油杯、小范圍調整游隙力矩大小、精度能達到P5/P4/P2等級,以適應各種類型的工況需求。
我司支持外徑20mm到外徑2000mm范圍內,各種類型高精度軸承非標定制化設計加工,常年與多家高等院校、機械機床公司、機械研究所、科研機構合作,進行重大設備的聯合開發,協助客戶試樣與批量生產。
轉盤軸承可以同時承受較大徑向負荷、軸向負荷和傾覆力矩等綜合載荷,集支承、旋轉、傳動、固定等多種功能與一體,且結構緊湊、安裝簡便、維護方便,通常用于重載低速的場合,例如起重機械、挖掘機、回轉臺、風力發電機、天文望遠鏡和坦克炮塔等裝置,應用十分廣泛。
內齒型四點接觸球轉盤軸承(HVSI20系列)
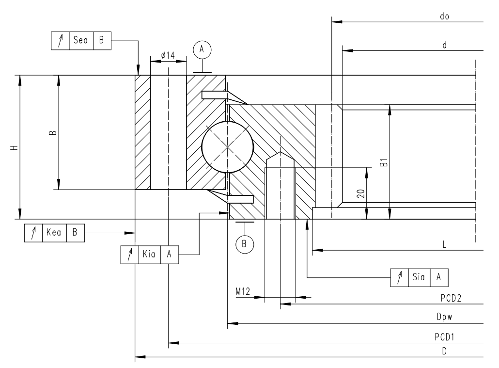
型號 | 基本尺寸 | 安裝尺寸 | 基本額定負荷 | 游隙 | ||||||||||||||
外圈 | 內圈 | 軸向 | 徑向 | |||||||||||||||
外徑D | 內徑d | 外圈高度B | 內圈高度B1 | 裝配高H | 分度圓do | 模數M | 齒數Z | 孔中心距PCD1 | 安裝孔 | 孔中心距PCD2 | 安裝孔 | 動態Ca/KN | 靜態Coa/KN | 動態Cr/KN | 靜態Cor/KN | 徑向 | 軸向 | |
HVSI200414 | 486 | 325 | 44.5 | 44.5 | 56 | 335 | 5 | 67 | 460 | 24-φ14 | 375 | 24-M12深20 | 169 | 560 | 111 | 248 | 0~0.05 | 0~0.08 |
HVSI200544 | 616 | 444 | 44.5 | 44.5 | 56 | 456 | 6 | 76 | 590 | 32-φ14 | 505 | 32-M12深20 | 188 | 740 | 123 | 325 | 0~0.05 | 0~0.08 |
HVSI200644 | 716 | 546 | 44.5 | 44.5 | 56 | 558 | 6 | 93 | 690 | 36-φ14 | 605 | 36-M12深20 | 200 | 880 | 131 | 385 | 0~0.05 | 0~0.08 |
HVSI200744 | 816 | 648 | 44.5 | 44.5 | 56 | 660 | 6 | 110 | 790 | 40-φ14 | 705 | 40-M12深20 | 211 | 1010 | 138 | 445 | 0~0.05 | 0~0.08 |
HVSI200844 | 916 | 736 | 44.5 | 44.5 | 56 | 752 | 8 | 94 | 890 | 40-φ14 | 805 | 40-M12深20 | 222 | 1150 | 145 | 510 | 0~0.05 | 0~0.08 |
HVSI200944 | 1016 | 840 | 44.5 | 44.5 | 56 | 856 | 8 | 107 | 990 | 44-φ14 | 905 | 44-M12深20 | 231 | 1280 | 151 | 570 | 0~0.05 | 0~0.08 |
HVSI201094 | 1166 | 984 | 44.5 | 44.5 | 56 | 1000 | 8 | 125 | 1091 | 48-φ14 | 1055 | 48-M12深20 | 244 | 1490 | 160 | 660 | 0~0.05 | 0~0.08 |
- 在線詢價