
不帶齒型四點接觸球轉盤軸承(HVSU20系列)
- 精密轉盤軸承依照滾動體結構,分為交叉滾子轉盤軸承與四點接觸球轉盤軸承兩個系列,依照齒輪形式,可分為不帶齒圈、帶內齒、帶外齒三個類型,可以安裝密封、配注油油杯、小范圍調整游隙力矩大小、精度能達到P5/P4/P2等級,以適應各種類型的工況需求。我司支持外徑20mm到外…
bearing@hyzcgroup.com
18837917076
- 產品詳情
精密轉盤軸承依照滾動體結構,分為交叉滾子轉盤軸承與四點接觸球轉盤軸承兩個系列,依照齒輪形式,可分為不帶齒圈、帶內齒、帶外齒三個類型,可以安裝密封、配注油油杯、小范圍調整游隙力矩大小、精度能達到P5/P4/P2等級,以適應各種類型的工況需求。
我司支持外徑20mm到外徑2000mm范圍內,各種類型高精度軸承非標定制化設計加工,常年與多家高等院校、機械機床公司、機械研究所、科研機構合作,進行重大設備的聯合開發,協助客戶試樣與批量生產。
轉盤軸承可以同時承受較大徑向負荷、軸向負荷和傾覆力矩等綜合載荷,集支承、旋轉、傳動、固定等多種功能與一體,且結構緊湊、安裝簡便、維護方便,通常用于重載低速的場合,例如起重機械、挖掘機、回轉臺、風力發電機、天文望遠鏡和坦克炮塔等裝置,應用十分廣泛。
不帶齒型四點接觸球轉盤軸承(HVSU20系列)
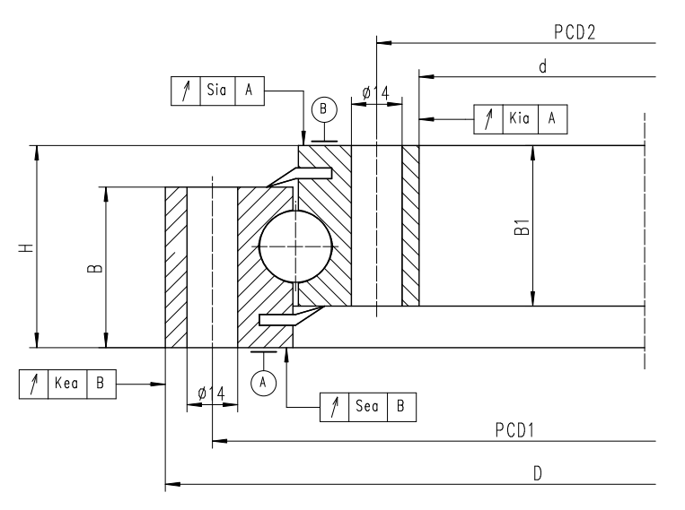
型號 | 基本尺寸 | 游隙 | 安裝尺寸 | 基本額定負荷 | |||||||||||
外圈 | 內圈 | 軸向 | 徑向 | ||||||||||||
外徑D | 內徑d | 外圈高度B | 內圈高度B1 | 裝配高H | 徑向 | 軸向 | 孔中心距PCD1 | 安裝孔 | 孔中心距PCD2 | 安裝孔 | 動態Ca/KN | 靜態Coa/KN | 動態Cr/KN | 靜態Cor/KN | |
HVSU200414 | 486 | 342 | 44.5 | 44.5 | 56 | 0~0.05 | 0~0.08 | 460 | 24-φ14 | 367 | 24-φ14 | 169 | 560 | 111 | 248 |
HVSU200544 | 616 | 472 | 44.5 | 44.5 | 56 | 0~0.05 | 0~0.08 | 590 | 32-φ14 | 498 | 32-φ14 | 188 | 740 | 123 | 325 |
HVSU200644 | 716 | 572 | 44.5 | 44.5 | 56 | 0~0.05 | 0~0.08 | 690 | 36-φ14 | 598 | 36-φ14 | 200 | 880 | 131 | 385 |
HVSU200744 | 816 | 672 | 44.5 | 44.5 | 56 | 0~0.05 | 0~0.08 | 790 | 40-φ14 | 698 | 40-φ14 | 211 | 1010 | 138 | 445 |
HVSU200844 | 916 | 772 | 44.5 | 44.5 | 56 | 0~0.05 | 0~0.08 | 890 | 40-φ14 | 798 | 40-φ14 | 222 | 1150 | 145 | 510 |
HVSU200944 | 1016 | 872 | 44.5 | 44.5 | 56 | 0~0.05 | 0~0.08 | 990 | 44-φ14 | 898 | 44-φ14 | 231 | 1280 | 151 | 570 |
HVSU201094 | 1166 | 1022 | 44.5 | 44.5 | 56 | 0~0.05 | 0~0.08 | 1140 | 48-φ14 | 1048 | 48-φ14 | 244 | 1490 | 160 | 660 |
- 在線詢價