
交叉滾子轉盤軸承(HXU系列)
- 精密轉盤軸承依照滾動體結構,分為交叉滾子轉盤軸承與四點接觸球轉盤軸承兩個系列,依照齒輪形式,可分為不帶齒圈、帶內齒、帶外齒三個類型,可以安裝密封、配注油油杯、小范圍調整游隙力矩大小、精度能達到P5/P4/P2等級,以適應各種類型的工況需求。我司支持外徑20mm到外…
bearing@hyzcgroup.com
18837917076
- 產品詳情
精密轉盤軸承依照滾動體結構,分為交叉滾子轉盤軸承與四點接觸球轉盤軸承兩個系列,依照齒輪形式,可分為不帶齒圈、帶內齒、帶外齒三個類型,可以安裝密封、配注油油杯、小范圍調整游隙力矩大小、精度能達到P5/P4/P2等級,以適應各種類型的工況需求。
我司支持外徑20mm到外徑2000mm范圍內,各種類型高精度軸承非標定制化設計加工,常年與多家高等院校、機械機床公司、機械研究所、科研機構合作,進行重大設備的聯合開發,協助客戶試樣與批量生產。
轉盤軸承可以同時承受較大徑向負荷、軸向負荷和傾覆力矩等綜合載荷,集支承、旋轉、傳動、固定等多種功能與一體,且結構緊湊、安裝簡便、維護方便,通常用于重載低速的場合,例如起重機械、挖掘機、回轉臺、風力發電機、天文望遠鏡和坦克炮塔等裝置,應用十分廣泛。
交叉滾子轉盤軸承(HXU系列)
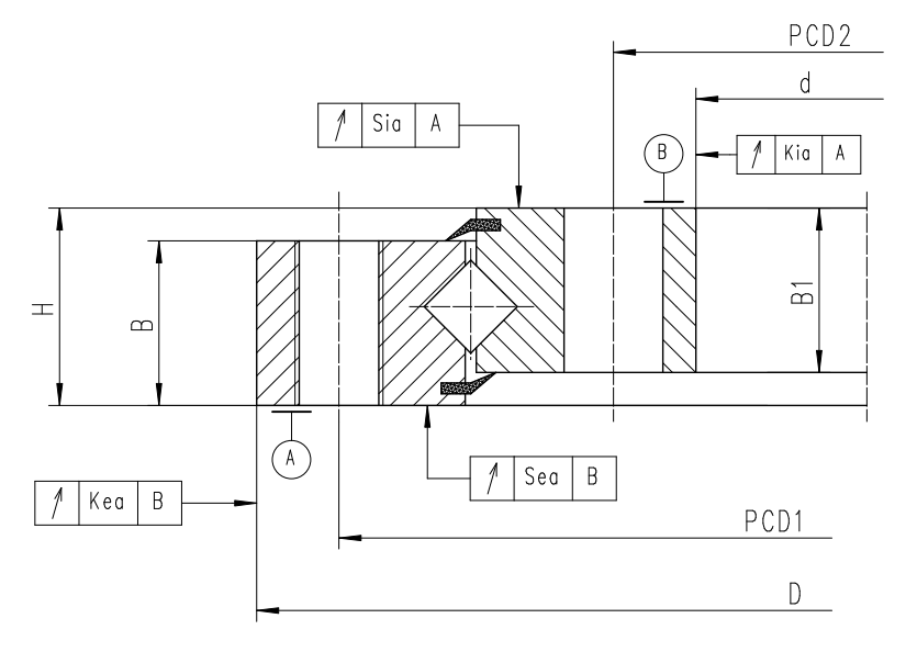
A
B
C
D
E
F
G
H
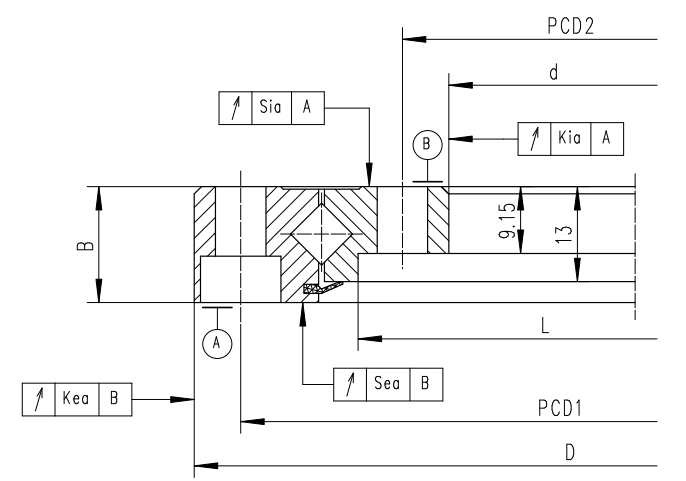
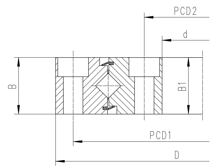
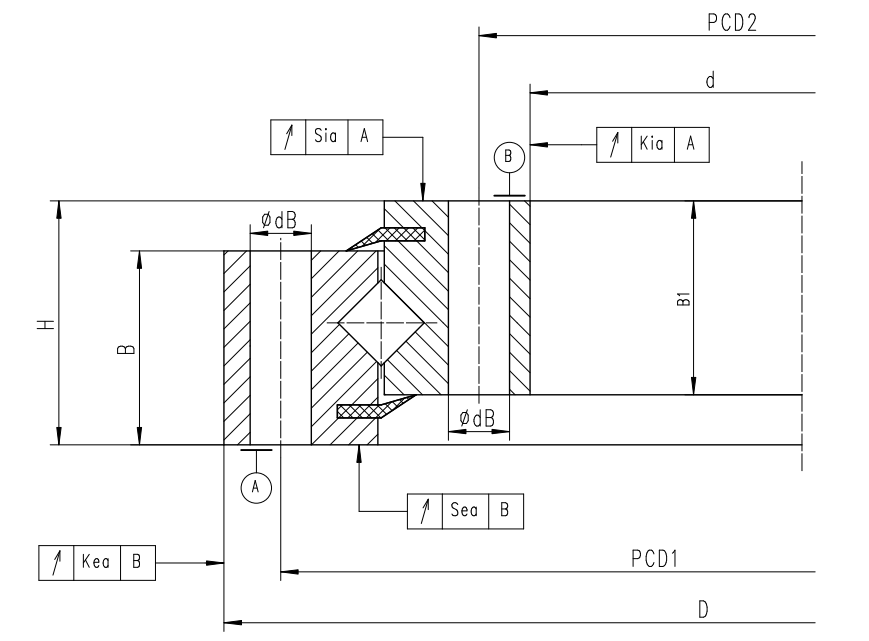
型號 | 基本尺寸 | 游隙(預載) | 對應圖號 | 安裝尺寸 | 基本額定負荷 | ||||||||||
外圈 | 內圈 | 軸向 | 徑向 | ||||||||||||
外徑D | 內徑d | 外圈高度B | 內圈高度B1 | 裝配高H | 孔中心距PCD1 | 安裝孔 | 孔中心距PCD2 | 安裝孔 | 動態Ca/KN | 靜態Coa/KN | 動態Cr/KN | 靜態Cor/KN | |||
XU050077 | 112 | 40 | 21 | 22 | — | 0.005~0.008 | A | 97 | 6-φ6.6沉孔φ11深5.5 | 56 | 6-M8深9 | 22.4 | 29 | 14.3 | 14.2 |
XU060094 | 140 | 57 | 25 | 26 | — | 0.005~0.008 | A | 120 | 6-φ9沉孔φ15深6 | 70 | 6-M8深9 | 32.5 | 37.5 | 20.7 | 18.4 |
XU060111 | 145.79 | 76.2 | 15.87 | 13 | — | 0.005~0.02 | B | 133.1 | 8-φ6.9沉孔φ11深6.35 | 88.9 | 8-φ6.9 | 36 | 44.5 | 22.8 | 21.5 |
XU080120 | 170 | 69 | 29 | 30 | — | 0.005~0.008 | C | 148 | 6-φ9沉孔φ15深9 | 90 | 6-M8深9 | 56 | 53 | 35.5 | 26 |
XU080149 | 196.85 | 101.6 | 22.22 | 22.22 | — | 0.005~0.02 | D | 177.8 | 16-φ6.9沉孔φ11深6.35 | 115.8 | 16-φ6.9沉孔φ11深6.35 | 63 | 66 | 40 | 32.5 |
XU120179 | 234 | 124.5 | 30 | 30 | 35 | 0~0.02 | H | 214 | 12-φ11 | 144.5 | 12-φ11 | 118 | 179 | 75 | 88 |
XU120222 | 300 | 140 | 30 | 30 | 36 | — | F | 270 | 12-M16 | 170 | 12-φ18 | 133 | 275 | 135 | 173 |
XU160260 | 329 | 191 | 41 | 41 | 46 | 0~0.02 | H | 305 | 20-φ14 | 215 | 20-φ14 | 212 | 350 | 135 | 173 |
XU080264 | 311 | 215.9 | 25.4 | 25.4 | — | 0~0.02 | E | 295.3 | 12-φ8.7沉孔φ13.7深8.6 | 231.8 | 12-φ8.7沉孔φ13.7深8.6 | 85 | 117 | 54 | 57 |
XU160405 | 474 | 336 | 41 | 41 | 46 | 0~0.02 | H | 450 | 30-φ14 | 360 | 30-φ14 | 270 | 550 | 172 | 270 |
XU080430 | 480 | 380 | 26 | 26 | — | 0~0.02 | G | 462 | 20-φ9沉孔φ15深9 | 398 | 20-M10 | 110 | 280 | 70 | 138 |
XU300515 | 646 | 384 | 79 | 79 | 86 | 0~0.03 | H | 598 | 18-φ26 | 432 | 18-φ26 | 720 | 1370 | 455 | 670 |
- 在線詢價